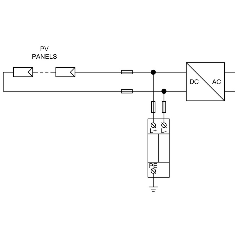
حماية DC مصممة لهذا الغرض لمصفوفات الكهروضوئية.
حماية هذه الموقوفات من النوع 2 تحمي سلاسل الكهروضوئية ، وأشرطة البوشات ، ومدخلات العاكس من الجهد الزائد العابر الناجم عن أحداث البرق أو عمليات التبديل. أنها تضمن الترابط التجهيز لكل من أشرطة BUSBARS الإيجابية والسلبية وتساعد في الحفاظ على وقت تشغيل النظام عبر جميع مستويات حماية البرق (LPL I - IV).
اتصال u أو y - اختر ما يحتاجه التصميم الخاص بك.
U Connection: طوبولوجيا الحماية التقليدية لدوائر PV DC.
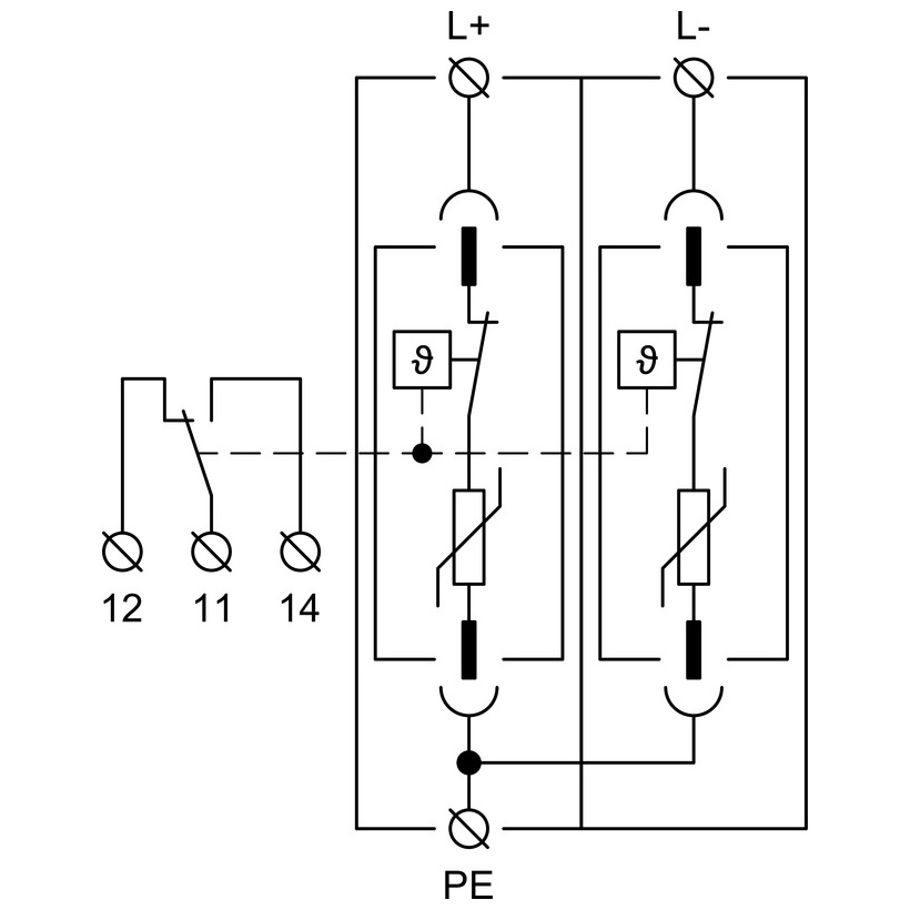
y اتصال: المتغيرات مرتبة إلى PE بحيث تظل موصلات العمل مقاومة للأرض ولا يوجد أي الحالي (التسرب) المتبقي صفر من خلال موصل PE ، مما يحسن سلوك EMC وتقليل المسارات الحالية للإزعاج.
سلامة مدمجة-لا مطلوب من فتيل احتياطي.
يتم تزويد كل من قطاعات المتغيرات المعينة بين L+و L- و PE مع قطع حرارية داخلية. عندما يصل المتغير إلى نهاية العمر (السخرية) ، فإن رحلات الانفصال ، مما يشير بشكل واضح إلى خطأ ومقاطعة تيار التيار. بفضل بنائها الخاص ، يمكن تثبيت هذه الموقوفات دون فتيل احتياطي منفصل (مع مراعاة تنسيق النظام).
نشر مرن مع أو بدون LPs خارجية.
قم بالتثبيت على جانب DC لأنظمة PV إما بدون نظام حماية Lightning خارجي (LPS) أو مع LPS عند الحفاظ على "S" مسافة الفصل المطلوبة. هذا يدعم التكامل الآمن في التصميمات الجديدة وإعادة التحديث على حد سواء.
خيارات الخدمة والمراقبة.
M.
مؤشر S: الإصدار مع اتصال مراقبة عن بُعد لإشارة الحالة إلى SCADA/PLC/Alarm Belays.
التطبيقات النموذجية
السلاسل الكهروضوئية ، صناديق combiner/re-combiner ، ومدخلات العاكس DC
المنشآت الكهروضوئية على نطاق المنفعة والتجارية والصناعية والسطح
مواقع مع أو بدون LPs خارجية حيث لوحظت مسافة الفصل "S"
الميزات الرئيسية في لمحة
اكتب 2 صدى للأنظمة PV DC (اتصال U أو Y)
ميزة الاتصال: موصلات عمل مقاومة للأرض وتسرب PE الصفر
انقطاع حراري داخلي على مسارات المتغير (L+، L- ، PE)
DC الانقطاع الحالي على الصدع. لا مطلوب فتيل احتياطي
مناسبة لجميع مستويات LPL ؛ يدعم الترابط التجهيز
م = وحدة قابلة للإزالة ؛ S = جهة اتصال مراقبة عن بعد

